Szwedzki koncern NIBE AB jest największym producentem urządzeń grzewczych w krajach skandynawskich oraz liderem w sprzedaży ciepła i elektrycznych ogrzewaczy wody w Europie Północnej. Misją NIBE AB jest produkcja urządzeń o wysokiej jakości i skuteczności, a dzięki wielu programom wsparcia i dotacji są w zasięgu ręki.
Poniżej link o dotacjach 😊
Dotacje na pompy NIBE – program Czyste Powietrze

Technologie stosowane w nowym energooszczędnym budownictwie, zwłaszcza poprawa izolacyjności przegród, znacznie obniżają potrzeby cieplne budynków. Z kolei udział zapotrzebowania na chłód w całorocznym bilansie energetycznym budynku stale rośnie. Przyczyną jest między innymi duża ilość przeszkleń, które w okresie letnim prowadzą do powstawania znacznych zysków cieplnych związanych ze zwiększonym nasłonecznieniem wnętrz. Pompa ciepła jest urządzeniem, które może zapewnić wnętrzom nie tylko ciepło w zimie, ale i chłód latem. W szerokiej ofercie marki NIBE znajdują się pompy ciepła typu solanka/woda, powietrze/woda, powietrze/powietrze oraz pompy zasilane powietrzem wentylacyjnym, a także systemy wentylacji z rekuperacją oraz systemy fotowoltaiczne NIBE PV. Pompa ciepła jest urządzeniem, która spełnia nie tylko funkcję ogrzewania, ale także chłodzenia. Obniżenie temperatury we wnętrzu możliwe jest dzięki wykorzystaniu naturalnego chłodu zawartego w gruncie lub wodzie (chłodzenie pasywne – możliwe tylko przy pompach gruntowych), lub poprzez odwrócenie obiegu chłodniczego pompy ciepła (chłodzenie aktywne – realizowane przez pompy powietrzne oraz gruntowe).
Chłodzenie pasywne
W okresie letnim temperatura wód gruntowych i gruntu jest znacznie niższa niż temperatura otoczenia. Na głębokości około 15 metrów temperatura utrzymuje się na poziomie 10÷12°C. Wykorzystanie zawartego w gruncie chłodu możliwe jest dzięki procesowi chłodzenia pasywnego (naturalnego), który realizowany jest przez gruntowe pompy ciepła typu solanka-woda lub woda-woda. Przykładem może być kompaktowa pompa ciepła NIBE F1245 PC z wbudowaną funkcją chłodzenia aktywnego, ale także zastosowanie modułu pasywnego chłodzenia np. NIBE PCM jako wyposażenia dodatkowego.
No dobrze, ale co to znaczy?
Jak sugeruje sama nazwa, “pasywne chłodzenie” zapewnia chłodzenie budynku bez użycia sprężarki, przy wykorzystaniu procesu wymiany ciepła. Pompa obiegowa dolnego źródła transportuje chłodną solankę do wymiennika ciepła. Obieg wody grzewczej natomiast dostarcza do wymiennika wodę ogrzaną do temperatury panującej w pomieszczeniach. Ciepło przekazywane jest do solanki, a schłodzona woda grzewcza daje możliwość dalszego odbierania ciepła z pomieszczeń. Jeśli jako dolne źródło ciepła służy nam grunt, zaleca się instalację pionowych gruntowych wymienników ciepła, ponieważ przy wymiennikach poziomych okres użytkowania chłodzenia może skrócić się nawet o połowę. Chłodzenie pompą ciepła w trybie pasywnym realizowane jest przy pomocy systemów powierzchniowych takich jak instalacja podłogowa, ścienna, sufitowa lub z klimakonwektorami. Dzięki takiemu rozwiązaniu, przy okazji produkcji ciepłej wody użytkowej, która potrzebna jest niezależnie od pory roku, zapewniamy sobie formę klimatyzacji.
I teraz UWAGA!
Zastosowanie chłodzenia pasywnego jest nawet pięciokrotnie bardziej energooszczędne niż zastosowanie klimatyzatorów, gdzie oprócz prądu do napędu pompy obiegowej wykorzystuje się również (i ponosi koszty!) prąd do napędu sprężarki, która umożliwia produkcję chłodu. Dodatkowym atutem naturalnego chłodzenia jest możliwość regeneracji dolnego źródła. Wykorzystując zawarty w gruncie chłód, jednocześnie oddajemy naturze ciepło z budynku, regenerując go po okresie eksploatacji. Należy jednak pamiętać, że w przypadku płaszczyznowej instalacji możliwy do osiągnięcia efekt chłodzenia wynosi około 10°C, np. zakładając temperaturę zewnętrzną 30°C i 20°C wewnątrz budynku. Nie można bowiem przekroczyć tzw. “punktu rosy”, czyli temperatury, przy której wilgoć zawarta w powietrzu zacznie kondensować się na powierzchni grzewczej. Temperatura zasilania nie powinna być więc niższa niż 18°C. Efektywność pasywnego chłodzenia pomieszczeń zależy również od wielkości dolnego źródła ciepła, jego temperatury oraz momentu wykorzystania.

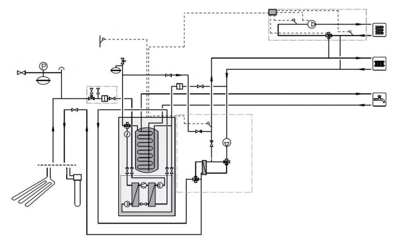
Rysunek przedstawia pasywne chłodzenie, realizowane przez gruntową pompę ciepła
Efektywne chłodzenie aktywne
Chłodzenie aktywne może być realizowane przy pompach ciepła pobierających ciepło z gruntu, wody gruntowej, a także powietrza atmosferycznego. Układy tego typu umożliwiają dostosowywanie wydajności chłodzenia oraz osiąganie zadanych temperatur w pomieszczeniach. Budynek staje się wówczas dolnym źródłem ciepła dla pompy, a dotychczasowe dolne źródło zmienia się w górne źródło. Proces ten opiera się na odwróceniu obiegu czynnika chłodniczego przy jednoczesnym zachowaniu niezmiennego kierunku tłoczenia sprężarki. W konsekwencji parownik zaczyna pełnić funkcję skraplacza, a skraplacz parownika. Chłód przekazywany jest do pomieszczeń za pomocą np. klimakonwektorów. Większość oferowanych na rynku powietrznych pomp ciepła, ma możliwość odwrócenia obiegu chłodniczego i realizacji funkcji chłodzenia aktywnego, np. NIBE SPLIT. Jest to urządzenie typu powietrze/woda składające się z jednostki zewnętrznej i wewnętrznej, które utrzymuje komfort cieplny w budynku przez cały rok. Zimą grzeje, a latem chłodzi powietrze w pomieszczeniach, a ciepłą wodę zapewnia każdego dnia.

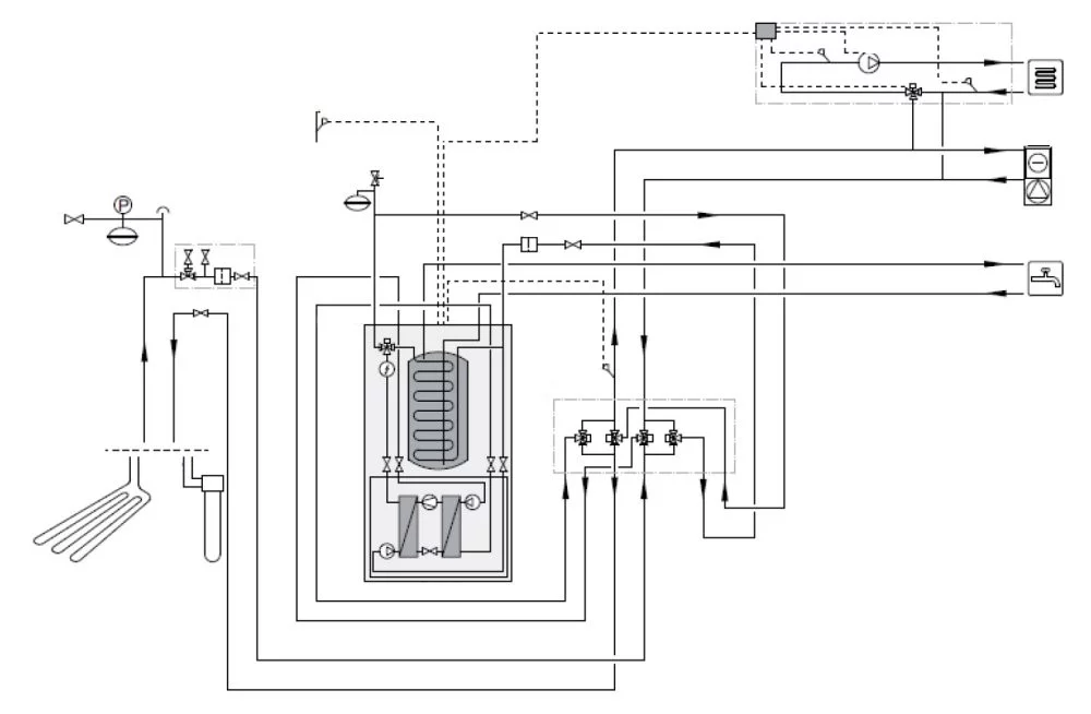
Rysunek przedstawia chłodzenie aktywne realizowane przez gruntową pompę ciepłą NIBE
Podsumowując:
GRUNTOWE POMPY CIEPŁA – PEWNA INWESTYCJA
Instalacja gruntowej pompy ciepła marki NIBE pozwala zredukować zużycie energii na cele grzewcze nawet o 80%. Ponadto, instalując gruntową pompę ciepła NIBE, możesz cieszyć się z posiadania najbardziej ekologicznego i przyjaznego środowisku naturalnemu urządzenia grzewczego. Ciepło geotermalne, stanowi energia słoneczna, zakumulowana w gruncie, wodach gruntowych i powierzchniowych zbiornikach wodnych. Wybór odpowiedniego źródła ciepła, zależy od zapotrzebowania na energię, obecnego systemu ogrzewania oraz rodzaju gruntu, na którym posadowiony jest budynek. System grzewczy na bazie gruntowej pompy ciepła NIBE, zapewnia ogrzewanie budynku i ciepłą wodę użytkową, jak również może realizować funkcję chłodzenia pomieszczeń w okresie letnim.
Aby dowiedzieć się więcej, zapraszamy do kontaktu i umówienie spotkania z naszymi specjalistami 😊
Skontaktuj się z nami już dziś 600-151-150 !
Odpowiemy na Twoje pytania, doradzimy najlepsze rozwiązanie i przygotujemy szczegółową, przejrzystą ofertę na montaż rekuperacji w Łodzi.
Zainwestuj mądrze w swoje zdrowie, komfort i oszczędności – postaw na jakość i doświadczenie!